Itin Scale Company - your Scale Super Store! Analytical scales, lab scales, baby scales, bath scales, bathroom scales, bodyfat monitors, body fat scales, counting scales, crane scales, fish scales, floor scales, food scales, deli scales, height rods, industrial scales, jewelry scales, kitchen scales, legal for trade scales, medical scales, retail scales, shipping scales, specialty medical scales and more
Call Toll Free:
(800) 832-0055
View Shopping Cart
Analytical / Lab scales Baby Scales Bathroom Scales Body Fat Scales Counting Scales Crane Scales Fish & Game Scales Floor Scales Food, Deli & Grocery Scales
Height Measurement Industrial scales Jewelry Scales Kitchen Scales Legal for Trade Scales Medical scales Retail use scales Shipping Scales Specialty medical scales
Home page Product categories and Site Map Contact Us Search our site
 
Mark 10 torque testing and force testing grips and attachments
Mark-10 High Capacity Clevis Grips
Mark-10 G1077 Clevis Grip
G1077
Mark-10 G1090 Clevis Grip
G1090

Mark-10 Clevis Grips

Model:

This grip is designed for various pull testing applications, including extension spring testing, chain link break force testing, and other applications. A spring loaded pin with ball plunger locks into place, for added safety during testing.Includes an integrated eye end, and requires an eye end adapter to mount to Mark-10 force gauges, load cells, and test stands.

Model Price Capacity
lbF [N]
Weight
lb [kg]
G1077
$137.75
500
[2,200]
0.29
[0.13]
G1090
$365.75
2,000
[9,000]
0.78
[0.35]

G1077

Model A B C ØD E ØF
G1077 1.70
[43.2]
1.25
[31.8]
0.38
[9.7]
0.85
[21.6]
1.45
[36.8]
0.25
[6.3]

G1090

Model A B C ØD E F ØG ØH ØI
G1090 2.77
[70.4]
1.80
[45.7]
0.55
[14.0]
1.40
[35.6]
2.32
[58.9]
0.87
[22.1]
0.63
[15.9]
0.32
[8.0]
0.38
[9.7]

 

Mark-10 G1001 Wire Terminal Grips
Mark 10-G1001 Wire Terminal Grip

Mark 10 G1001 Wire Terminal Grip
Price: $308.75

Model:

Shipping Weight: 4 lbs

These grips are designed for securing wire terminals, cables, connectors, and other samples for pull testing. Three wire diameter capacities are available: 0.125", 0.25", and 0.375". Use these grips with the Mark-10 G1002 dual roller grip, and choice of test stands and force gauges to create complete terminal and crimp testing systems.

Model Description Price
G1001 Wire terminal grip, 0 - 0.125"
$308.75
G1001-1 Wire terminal grip, 0.125 - 0.25
$308.75
G1001-2 Wire terminal grip, 0.25 - 0.375
$308.75

Mark 10-G1001 Wire Terminal Grip
Model Capacity (lb / N) Weight (lb / kg) ØA B C D
G1001
200 / 1000
0.29 / 0.13
1.0 / 25.4
3.4 / 86.4
0 - 0.125 / 0 - 3.1
1.45 / 36.8
G1001-1
0.125 - 0.25 / 3.1 - 6.3
G1001-2
0.25 - 0.375 / 6.3 - 9.5

 

Mark-10 G1093 High Capacity Wire Terminal Grip
Mark G1093 Wire Terminal Grip

Mark 10 Wire Terminal Grips

Model:

Shipping Weight: 4 lbs

G1076

This grip is designed for wire pull testing applications. The grip secures wire terminals, cables, connectors, and other samples for wire pull tests. Grooves of multiple sizes are provided to accommodate a wide range of wire diameters up to 0.25 in. (6.3 mm). Simply rotate the turret wheel to the desired size. Integrated magnets hold the wheel in place to help prevent accidental rotation to a different sized groove. For unique sample shapes and sizes, a blank machinable terminal fixture is also available.

Use this grip with the G1002 dual roller grip, and choice of test stands and force gauges to create a complete terminal and crimp testing system.

FEATURES
  • Wire diameter range: 0 - 0.25 in (6.3 mm)
  • Groove sizes [in(mm)]: 0.01 (0.3), 0.03 (0.7), 0.04 (1.0), 0.06 (1.5), 0.08 (2.0), 0.09 (2.3), 0.11 (2.8), 0.12 (3.0), 0.14 (3.5), 0.15 (3.8), 0.17 (4.3), 0.18 (4.5), 0.20 (5.1), 0.21 (5.3), 0.23 (5.8), 0.25 (6.3)
  • Rugged design
  • Capacity: 200 lbF (1,000 N)
dims

G1093

The grip secures wire terminals, cables, connectors, and other samples for high capacity wire terminal pull tests.

To operate, simply rotate the turret wheel to the desired size. For unique sample shapes and sizes, the wheel may be machined as required.

Includes an integrated eye end, and requires an eye end adapter to mount to Mark-10 force gauges, load cells, and test stands.

FEATURES
  • Groove sizes: 0.08 (2.0), 0.12 (3.0), 0.16 (4.0), 0.20 (5.0), 0.24 (6.0), 0.31 (8.0), 0.39 (10.0), 0.46 (11.8)
  • Capacity: 2,000 lbF (9 kN)
  • Weight: 6.4 lb (2.9 kg)
dims
Mark-10 G1092 High Capacity Wire / Rope Grip
Mark 10-G1001 Wire Terminal Grip

Mark 10 G1092 High Capacity Wire / Rope Grip
Price: $912.00

Model:

Shipping Weight: 4 lbs

Designed for high capacity wire and rope pull testing applications. Secures the free end of the sample via a bollard and vise.

Includes an integrated eye end, and requires an eye end adapter to mount to Mark-10 force gauges, load cells, and test stands.

  • Capacity - lbF [kN]: 2,000 [9]
  • Weight - lb [kg]: 6.0 [2.7]

 

Mark-10 G1102 / G1103 Wire/Rope Grip)
 Mark-10 G1102 / G1103 Wire/Rope Grip)
Large (1,000 lbF)
 Mark-10 G1103 / G1103 Wire/Rope Grip)
Medium (200 lbF)

Mark 10 G1102/G1103 Wire / Rope Grip

Model:

Shipping Weight: 4 lbs

Designed for wire, rope, and yarn pull testing applicationsup to 200 lbF or 1000 lbF. Secures the free end of the sample via a bollard and vise with rubber-faced jaw.
Includes integrated eye end mounting, and requires an eye end adapter to mount to Mark-10 force gauges or force sensors, and test stands.

G1102

G1102 (Large)

G1103

G1102 (Large)

 

Mark-10 G1002 Dual Roller Grip
Mark-10 G1002 Dual Roller Grip

Mark-10 G1002 Dual Roller Grip
Price: $171

Shipping Weight: 4 lbs

Mark-10 G1002 Dual Roller Grip

This cam grip secures the ends of wire, cable, and tubing samples for pull testing. Engaging and disengaging samples is quick and easy, with a side slot for sample insertion and serrated steel rollers. Use this grip with a G1001 wire terminal grip, force gauge, and test stand to create a complete terminal and crimp testing system.

Model Capacity (lb / N) Weight (lb / kg) A B C D E F G
G1002
200 / 1000
0.19 / 0.09
1.18 / 30.0
2.0 / 50.8
0.75 / 19.1
0-0.25 / 0-6.3
0.25 / 6.4
0.64 / 16.3
1.0 / 25.4
G1002-1
200 / 1000
0.24 / 0.11
1.18 / 30.0
2.0 / 50.8
0.75 / 19.1
0.10 - 0.34 / 2.5 - 8.6
0.25 / 6.4
0.64 / 16.3
1.0 / 25.4

 

Mark-10 G1085 Adjustable Dual Roller Grip
Mark G1094 Wire Eccentric Roller Grip

Mark-10 G1085 Adjustable Dual Roller Grip
Price: $451.25

Model:

Shipping Weight: 4 lbs

This cam grip secures the ends of tubing, cables, and odd shaped samples for pull testing applications. Engaging and disengaging samples is quick and easy, with a side slot for sample insertion and serrated steel rollers. The rollers can be repositioned to the desired spacing, accommodating a broad range of sample widths up to 1" (25 mm).

IN [MM]

Capacity
lbF [N]
Weight
lb [kg]
A B C D E F G
200
[1,000]
0.51
[0.23]
2.40
[61.0]
2.45
[62.2]
1.30
[33.0]
0 - 1.00
[0 - 25.4]
0.34
[8.6]
1.20
[30.5]
1.78
[45.3]
Mark-10 G1094 High Capacity Eccentric Roller Grip
Mark G1094 Wire Eccentric Roller Grip

Mark-10 G1094 High Capacity Eccentric Roller Grip
Price: $1078.25

Model:

Shipping Weight: 4 lbs

This rugged grip features a serrated cam, for effectively securing wires, plastics, textiles, and other materials in pull testing applications.

Includes an integrated eye end, and requires an eye end adapter to mount to Mark-10 force gauges, load cells, and test stands

Capacity - lbF [kN]: 2,000 [9]

Weight - lb [kg]: 7.4 [3.4]

dims
Mark-10 G1015 Series & G1008 Film & Paper Grips
Mark-10 G1008 Film & Paper Grip
Mark-10 G1008 Film & Paper Grip, 1"
Mark-10 G10015-2 Film & Paper Grip
Mark-10 G1015-2 Film & Paper Grip, 3"
Mark-10 G10015-1 Film & Paper Grip
Mark-10 G1015-1 Film & Paper Grip, 5"
Mark-10 G10015-3 Film & Paper Grip
Mark-10 G1015-3 Film & Paper Grip, 7"
Mark-10 G1008 Film & Paper Grip
G-1008 above
Mark-10 G1015 Film & Paper Grip
G-1015 series above

Mark-10 G1015 Film & Paper Grips

Model:

Shipping Weight: 4 lbs

These grips are designed for gripping film, paper, labels, packaging, and other thin materials for tensile and peel testing. Adjustable serrated interlocking jaws effectively grip the samples for up to 100 lb of force. The grips are available in four sizes: 1", 3", 5", and 7". Use them with a force gauge and a test stand to create a complete testing system.

Model

Cap.

lb [N]

Weight

lb [kg]

A B C D
G1008

200 [1000]

0.31 [0.14] 1.60 [40.6] 2.50 [63.5] 1.00 [25.4]

0 - 0.15
[0 - 3.8]

G1015-1 0.57 [0.26] 3.00 [76.2] 3.00 [76.2] 1.90 [48.3] 0 - 0.50
[0 - 12.7]
G1015-2 0.67 [0.30] 5.00 [127.0]
G1015-3 0.77 [0.35] 7.00 [177.8]

 

Mark-10 G1046 Pneumatic Grip
Mark-10 G1046 Pneumatic Grip
Mark-10 G1046 Pneumatic Grip

Mark-10 G1046 Pneumatic Grip
Price: $570

Optional Air Connection Kit, Add $142

Shipping Weight: 4 lbs

Mark-10 G1002 Dual Roller Grip

This fully enclosed, air-powered grip is ideal for seal strength testing of packaging, elongation testing of various materials, and other tensile testing requirements. Serrated interlocking jaws effectively grip samples for up to 100 lb of force.

This pneumatic grip features an industry-unique integrated open/close valve for quick sample engagement and disengagement, an added benefit for repetitive applications. An air connection kit, consisting of air tubing and fittings, is available as an option. Use a pair of these pneumatic grips with a force gauge and a test stand to create a complete testing system.

  • Integrated open/close valve
  • Fully enclosed design for safety
Capacity (lb / N) / PSI (MPa) Weight (lb / kg) Max Pressure PSI / MPa Air Input Thread A
150 / 500 @ 100 / 0.86
0.58 / 0.26
125 / 0.86
#10-32 UNF
0-13 / 0-3.3

 

Optional Air Connection Kit

Mark-10 G1046 Pneumatic GripConsists of a complete set of components needed to connect two pneumatic grips:

 

A. Coiled tubing, 1/8" OD, 1/16" ID, 8" retracted length (qty. 2)

B. Straight tubing, 1/8" OD, 1/16" ID, 5' length (qty. 1)

C. Y-splitter (qty. 1)

D. Elbow fitting, tubing to #10-32M

(qty. 1)

E. Straight fitting, tubing to #10-32M

(qty. 1)

F. Thread adapter, #10-32F to 1/4" NPT M (qty. 1)

G. Adhesive-backed guide (qty. 4)

 

Mark-10 G1013 Parallel Jaw Grip
Mark-10 G1013 Parallel Jaw Grip

Mark-10 G1013 Parallel Jaw Grip
Price: $180

Shipping Weight: 4 lbs

Mark-10 G1013 Parallel Jaw Grip

This grip is ideal for general pull testing applications. Manually tightened serrated jaws may be individually adjusted for samples up to 0.25" thick. Use this jaw grip with a force gauge and a test stand to create a complete testing system.

Capacity (lb / N) Weight (lb / kg) A B C D
200 / 1000
0.65 / 0.29
0.75 / 44.5
2.25 / 57.2
1.25 / 31.8
0-0.25 / 0-6.3

 

Mark-10 G1100 / G1101 Parallel Jaw Grip Vise-Action Grip
Mark-10 G1101 Parallel Jaw Grip
G1101 up to 200lb
Mark-10 G1100 Parallel Jaw Grip
G1100 up to 200l0b

G1100

This rugged grip is ideal for general tensile and pull testing applications up to 2,000 lbF (10 kN). Pyramidal jaw faces and generous clearance effectively secure a wide range of sample materials and sizes.
Includes an adjustable stop for consistent sample placement between the jaws.
Extended jaw lengths are available, to accommodate larger samples.
Includes integrated eye end mounting, and requires an eye end adapter to mount to Mark-10 force gauges or force sensors, and test stands.

Mark-10 G1100 Parallel Jaw Grip

Mark-10 G1100/G1101 Parallel Jaw Grip Vise-Action Grip
Price: from $370.50


For G1101

AC-1071-2 Extended jaws, (set of 2) 1.97 in length for G1101, add $199.50

AC-1071-3 Extended jaws, (set of 2) 3.15 in length for G1101, add $270.75

AC-1071-4 Extended jaws, (set of 2) 3.94 in length for G1101, add $313.50

Replacement AC-1071-1 Extended jaws, (set of 2) 1.18 in length, add $133.00

For G1100

AC-1070-2 Extended jaws, (set of 2) 3.94 in [100.0 mm] length, add $361.00

Replacement AC-1070-1 Extended jaws, (set of 2) 2.36 in length, add $318.25

Shipping Weight: 4 lbs

G1101

This grip is ideal for general tensile and pull testing applications up to 200 lbF (1,000 N). Pyramidal jaw faces and generous clearance effectively secure a wide range of sample materials and sizes.
Extended jaw lengths are available, to accommodate larger samples.
Includes integrated eye end mounting, and requires an eye end adapter to mount to Mark-10 force gauges or force sensors, and test stands.

Mark-10 G1101 Parallel Jaw Grip

 

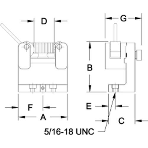
Mark-10 G1061 Self-Tightening Wedge Grip 200 lb,1200 lb, 2000 lb
Mark-10 G1012 Wedge Grips

Mark-10 G1061 Self-Tightening Wedge Grip

Shipping Weight: 4 lbs

These heavy duty self-tightening grips with a capacity range of 200 lbf to 2,000 lbF (1 kN to 10 kN) are ideal for tensile testing of a wide range of materials. The serrated 55 RC hardened steel jaws ride on rollers instead of sliding along the surface of the housing, as with conventional wedge grips. This unique design prevents jamming and improves gripping characteristics.

The spring loaded jaws open with a highly ergonomic rack and pinion lever mechanism. The smooth and easy operation of the lever greatly reduces operator hand fatigue.

Features/Specifications
  • 3 capacities
  • Unique jam-free design
  • Fully enclosed
  • Hardened, serrated steel jaws
  • Thru slot for samples of unlimited width
  • Ergonomic handle
  • Weight:
    • G1061-1: 0.5 lb [0.23 kg]
    • G1061:0.8 lb [0.36 kg]
    • G1061-2: 0.9 lb [0.41 kg]
  • Jaw material / hardness: 416 SS / 55 RC
Mark-10 v Wedge Grips
Model Cap. lb [kN] A B C D E F G Included Adapters
G1061-1 200 [0.9] 1.95 [49.5] 2.45 [62.2] 0.375 [9.5] 0.95 [24.1] 5/16-18 UNC 0 - 0.25 [0 - 6.4] 0.62 [15.7] G1030, #10-32 M/M stud, 5/16-18 M/M stud, with jam nuts
G1061-1 200 [0.9] 1.95 [49.5] 2.45 [62.2] 0.375 [9.5] 0.95 [24.1] 5/16-18 UNC 0 - 0.25 [0 - 6.4] 0.62 [15.7] G1030, #10-32 M/M stud, 5/16-18 M/M stud, with jam nuts
G1061 1,200 [5.3] 1.95 [49.5] 2.45 [62.2] 0.75 [19.1] 1.50 [38.1] 5/16-18 UNC 0 - 0.25 [0 - 6.4] 1.00 [25.4]
G1061-2 2,000 [9] 1.95 [49.5] 2.45 [62.2] 1.00 [25.4] 1.75 [44.5] 1/2-20 UNC 0 - 0.25 [0 - 6.4] 1.13 [28.7] G1066, 1/2-20 M/M stud with jam nuts, 5/16-18 M/M stud with jam nuts

top

 


 

 

 

Copyright ©1998-2024 Itin Scale Co., Inc. All rights reserved
[email protected] with comments or questions about this site

McAfee Secure sites help keep you safe from identity theft, credit card fraud, spyware, spam, viruses and online scams

 

 

Your account Search Contact Us Store Directory Home page Your account Contact Us Search our site Site map and product categories
×